2.18 Oversikt over overbygningsklasse, aksellast, metervekt og lasteprofil
Publisert: 1. juni 2021
Oppdatert: 9. september 2025
2.18.1 Overbygningsklasse, aksellast og maks hastighet
Tabell og skjematisk kart som viser maksimal aksellast og tilhørende hastighet for persontog og godstog i henhold til linjens klassifisering (Dette er ikke skiltet hastighet på strekningen).
MERK: Maksimal aksellast for lokomotiv i persontog er 22,5 tonn.
Tillatt hastighet og maksimal aksellast for overbygningsklasser
Overbygningsklasse | Vogner i persontog | Motorvognsett | Godstog/arbeidsmaskiner | ||||
---|---|---|---|---|---|---|---|
Nominell aksellast (tonn) | Maks hastighet (km/h) | Nominell aksellast (tonn) | Maks hastighet (km/h) | Nominell aksellast (tonn) | Maks hastighet (km/h) | Maks hastighet boggier godkjent iht. EN 14363 (km/h) | |
a | 16 | 90 | 16 | 90 |
22,5 16,5 |
30 70 |
30 70 |
b | 18 | 100 | 18 | 100 |
22,5 20,5 18 |
30 70 80 |
30 70 80 |
c | 18 | 160 |
20,5 18 |
130 160 |
22,5 20,5 18 |
80 90 100 |
90 100 110 |
c+ | 18 | 160 | 20,5 | 160 |
241 22,5 20,5 18 |
50 90 100 110 |
50 100 110 120 |
d | 18 | 230 |
20,5 20 18 17 |
160 200 250 300 |
25 22,5 18 |
70 100 110 |
70 120 120 |
Ofotbanen | 18 | 130 | 20,5 | 130 |
31 22,5 |
50 702 |
50 70 |
1 Gjelder bare Nordlandsbanen Guldsmedvik (km 499,517) og Ørtfjell (km 534,630).
2 Maksimal hastighet for tomme malmvogner er 60 km/h.
Se også 2.2.1 Togs kjørehastighet.
Beskrivelse av aksellast, metervekt og lasteprofil finner du i vedleggene til Network Statement.
MERK: Maksimal aksellast for lokomotiv i persontog er 22,5 tonn!

2.18.2 Metervekt

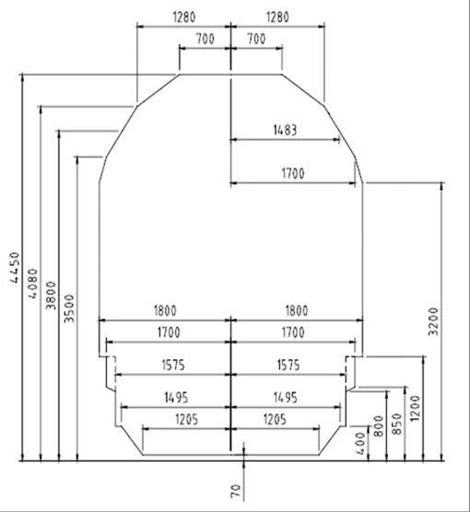
2.18.3 Lasteprofil
Bane NOR kan tilby det nasjonale, dynamisk profil NO1 på hele jernbanenettet. NO1 må ses sammen med de oppgitte regneregler.
