3 Utrustning i bane- og trekkraftkjøretøy
ATC-håndboken har samme geografiske gyldighetsområde som Trafikkregler for jernbanenettet og gjelder for alle som fører trekkraftkjøretøy på infrastruktur som Bane NOR har ansvaret for. Håndboken er utgitt av Trafikk og teknologi, Trafikk i Bane NOR.
Publisert: 13. august 2013
Oppdatert: 24. februar 2025
Meld fra om feil eller foreslå endringer
Trafikk
3.1 Utrustning i Bane
Banen deles inn i forskjellige områder. Disse er definert i kapittel 4 (Overvåkingsgrader og områder).

3.1.1 Balisegrupper og grensesnitt mot sikringsanlegg
Baneutrustningen består i det vesentlige av balisegrupper og grensesnitt (for eksempel kodere) mot sikringsanlegg. Balisegruppene fungerer som «sendere». Trekkraftkjøretøyets antenne søker kontinuerlig etter disse «senderne», og når de påtreffes sender de den informasjon som balisegruppen inneholder.
Balisegruppene kan inneholde dels fast informasjon, dels variabel informasjon fra signaler/sikringsanlegg. Variabel informasjon fra signal eller sikringsanlegg omdannes til baliseinformasjon av grensesnittet som er/kan være plassert i skap ved skinnegangen.
En balisegruppe består alltid av minst 2 baliser.
Årsakene til dette er:
- Trekkraftkjøretøyets ATC-utrustning skal kunne avgjøre om informasjonen gjelder aktuell kjøreretning.
- En balise kan gå i stykker (sikkerhetsårsak).
- Tilstrekkelig informasjon skal kunne overføres.
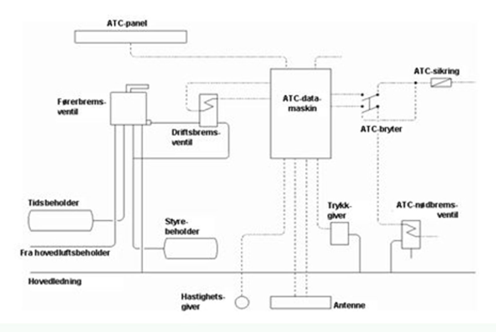
3.2 Utrustning i trekkraftkjøretøy
Utrustningen i trekkraftkjøretøy består av ATC-panel, hastighetsgiver og ATC-datamaskin.
Trekkraftkjøretøyet er dessuten utstyrt med ATC-komponenter i det elektriske systemet og i bremsesystemet.


3.2.1 ATC-datamaskin
ATC-datamaskinen er ATC-systemets «hjerne».
- Den sammenstiller og analyserer mottatt informasjon.
- Den gir beskjed via ATC-panelet om hva føreren skal forholde seg til med hensyn til hastigheter og signaler.
- Den aktiviserer bremsesystemet dersom informasjonen i ATC-panelet ikke følges.
ATC-datamaskinen strømforsynes fra trekkraftkjøretøyets batteri over sikring ATC og strømbryter ATC. Opplysninger om togdata (kjørehastighet, toglengde, retardasjon osv.) som ATC-datamaskinen må ha beskjed om, leses inn via ATC-panelets manøverdel (se punkt 3.2.7).
ATC-datamaskinen med tilkoplinger er plassert hensiktsmessig i trekkraftkjøretøyets maskinrom eller i førerrom.
På motorvognsett kan ATC-datamaskinen være plassert åpent i førerrom, i egne skap/rom enten i førerrom eller i tilknytning til kupe eller godsrom.
3.2.2 ATC-nødbremseventil
ATC-nødbremseventilen er innkoblet i hovedledningen. Ventilen er stengt så lenge den er spenningssatt. Den spenningsettes fra ATC-systemet når dette er innkoblet, og fra trekkraftkjøretøyets batteri når ATC-systemet er utkoblet.
ATC-nødbremseventilen har to oppgaver:
- Nødbremse toget ved passering av hovedsignal i «Stopp».
- Nødbremse toget om driftsbremsing med førerbremseventil eller ATC-driftsbrems ikke er tilstrekkelig.
ATC-nødbremseventilen, hvor håndtaket normalt skal stå i stilling I, stenges manuelt ved å svinge håndtaket fra stilling I til 0. (ATC-nødbremseventilen er av samme type og har samme funksjon som den ordinære nødbremseventilen – Sifa.)
Manuell stenging må foretas:
- Når ATC-systemet må settes ut av funksjon på grunn av at ATC-nødbremseventilen ikke lukker og åpner som den skal.
3.2.3 ATC-driftsbremseventil
ATC-driftsbremseventil er en elektrisk/pneumatisk ventil som er montert mellom førerbremseventilens trykkregulator og styrebeholder.
ATC -driftsbremseventilen aktiviseres av ATC-datamaskinen ved behov.
På trekkraftkjøretøy med elektrisk styrt førerbremseventil finnes det ingen driftsbremseventil. Bremsing skjer ved hjelp av signal fra ATC-datamaskinen som direkte påvirker bremseelektronikken.
3.2.4 Trykkgiver
Trykkgiveren er koplet til hovedledningen og gir ATC-datamaskinen kontinuerlig informasjon om hovedledningstrykket.
3.2.5 Antenne
Antennen er montert under trekkraftkjøretøyet. Trekkraftkjøretøyet har en eller to antenner, avhengig av trekkraftkjøretøyets lengde og mulighet for plassering.
På motorvognsett bestående av 2 eller flere vogner er det montert antenne under begge endevogner.
Antennen har som oppgave å søke etter balisegrupper og motta informasjon fra disse.
3.2.6 Hastighetsgiver
Hastighetsgiveren på trekkraftkjøretøyet gir ATC-datamaskinen kontinuerlig informasjon om trekkraftkjøretøyets hastighet og kjørelengde.
3.2.7 ATC-panel

3.2.7.1 Oversikt


3.2.7.2 Detaljer
| Symbol | Betegnelse og betydning |
|---|---|
![]() |
Skiftelampe rød, skifteknapp |
![]() |
Forindikator, gul Målhastighet (Venthastighet). |
![]() |
ATC-feillampe, rød Lyser ved innledning og avslutning av starttest. Lyser når det er feil på trekkraftkjøretøyets ATC-utstyr, samtidig som lydsignaler F1 og F2 høres. |
![]() |
Balisefeillampe, gul Blinker ved feil i baneutrustningen (utløser ATC-brems). |
![]() |
Lampe, grønn. For høy hastighet Lyser når det kjøres 5 km/h eller mer over tillatt hastighet, samtidig som lydsignal F2 høres. |
![]() |
Hovedindikator, grønn Fast: Takhastighet. Blink: Målhastighet (Venthastighet). |
![]() |
Lampe, gul. ATC-brems. Løseknapp Lyser når ATC-brems tilsettes. Blinker når det kan trykkes på løseknappen for å få løst bremsene. Brukes også når man leser av retardasjonsverdier ved retardasjonskontroll. |
![]() |
Høyningslampe, grønn. Høyningsknapp Når lampen blinker og knappen deretter trykkes inn, innebærer dette at ATC kun overvåker tidligere angitt takhastighet etter at toglengden er kjørt. |
![]() |
Vippebryter. Bremsevirkning ATC-driftsbrems 1,0 bar trykksenkning ved dårlige adhesjonsforhold. 1,5 bar trykksenkning ved normale adhesjonsforhold. |
![]() |
Knapp, rød. Stoppassasje Holdes inntrykket ved tillatt passering av hovedsignal i «Stopp». |
![]() |
Lysstyrke Regulerer lysstyrken til lamper og indikatorer. |
![]() |
Lydstyrke Regulerer styrken på lydsignal F2. |
![]() |
Lampe, rød. Innlesningknapp Lampen blinker inntil togdata er innlest. Lampen blinker også når «Skifteknappen» er betjent. Knappen betjenes ved avslutning av starttest, etter avsluttet skifting og ved innlesning av togdata. Lampen blinker også hvis togdata er endret under kjøring og nye togdata skal leses inn. Lampe blinker hvis togdata ikke er innlest når toget settes i gang. |
![]() |
STH Største tillatte kjørehastighet for toget |
![]() |
Toglengde Stilles inn etter 5.2.1 Tabell for togdata |
![]() |
Bremsetilsettingstid Stilles inn etter 5.2.1 Tabell for togdata eller etter tabell i førerrom. |
![]() |
Retardasjon Stilles inn etter tabell i førerrommet |
![]() |
Tilleggshastighet og hastighet for krengetog (I prosent av linjehastighet.) |
![]() |
Lampe, gul. Mindre feil Lyser så lenge en feil er registrert i systemet, og denne feilkoden ikke er avlest. |


















